“数字化浪潮之下,没有局外之人”——M.

引言
“红色”代表了上一代创业人艰苦奋斗的情怀,“蓝色”代表了新一代创业人以科技取胜的智慧,“红”与“蓝”的传承,是时代的更迭,观念的更新、技术的跃进、智能的升级,不变的是创业的情怀,变化的是附着在时代上的元素...
从张代理创办的“红领”,到张兰兰传承下的“酷特”,大幕刚刚揭开,但这确是已经走过了十七年的转型之路。数字化浪潮之下,没有局外之人,只是这个过程,需要高瞻远瞩的战略筹谋与脚踏实地的持续精进,二者缺一不可...
一、上市
7月8日,青岛酷特智能股份有限公司(股票简称:酷特智能,股票代码:300840,以下简称“酷特”或“酷特智能”)在深交所A股创业板正式上市。酷特智能本次公开发行股票6000万股,首日股价8.55元,涨幅达43.94%。

酷特智能成立于2007年12月,它提出了以“个性化定制”模式展开的消费者直接对接工厂的C2M商业生态,形成了以西装厂、衬衣厂和西裤厂为主的三个专业智能制造工厂,产品品类覆盖个性化定制男装和女装。
公司主要通过量体裁衣+智能制造,满足客户个性化定制服装需求,其核心的商业逻辑是C端客户的个性化需求直接对接M端工厂,工厂通过个性化生产满足客户需求,去除了代理商、渠道商等中间环节,客户不再为中间环节的高额成本买单。
二、转型之路
十年转型路,上市始人知。酷特一朝上市而天下知,殊不知,这背后是十余年来不懈的探索与坚持。回顾其创立与转型发展的历史,可以分成以下六个阶段:
1995-2003年红领品牌时代:1995年,张代理于青岛创立了“红领”品牌,开始从事服装成衣生产与销售。1995年至2003年间,中国服装行业发展迅猛,市场机会多,行业整体盈利状况较好,“红领”的发展也达到了高峰。随着2003年后竞争加剧,市场费用高企,利润率不断被压,标准号成衣库存过高,导致企业现金流紧张,经营风险提高。此时,张代理开始考虑转型,期间曾到德国、日本定制企业观摩交流,并将工业化流水线定制服装确定为转型方向。
2003-2004年规模定制化转型启动:2003年下半年张代理带领“红领”系列公司开始从改进工序,提高效率方面做定制,但很快遇到瓶颈,主要包括:①原辅料采购变成“小批量多品种多频次”。②生产计划没有系统的支撑难以排产。③人工制版费用高。④加工环节效率低、错率高。⑤设计研发成本高。⑥量体非标准化,量体数据非数字化。⑦通用软件不能解决行业专门问题。2004年,张代理意识到,以上每一个瓶颈都需要开发一套系统去支撑整个流程。
2004-2007年智能生产线初步成型:制版是服装定制最关键环节之一,红领系公司自2004年-2007年间解决了制版问题,建立了属于自己的量体方法,以及建立了款式数据库与工艺数据库和生产过程各软件系统,并最终建成了以数据驱动的定制服装智能生产线。
2008-2012年智能生产线成熟:2008年,红领系公司智能生产线生产效率以及实现日均产量倍数增长,从2008年的日均200套左右,提高到2012年的日均1000套左右。在此期间,收入规模和净利润,从2008年的126.50万元/24.88万元,增长至2012年的2720.47万元/398.91万元,涨幅达到20.5倍/15倍。
2013-2015年定制业务转型:此前定制业务的生产由红领系公司(新启润)执行,从2013年开始由酷特为主体着力于定制业务开展,承担起市场拓展任务、采购,以至具备独立的生产定制化服装的能力。
2016年至今专注于定制业务,少量拓展咨询业务:大规模定制化服装生产渐趋成熟,除了继续日常生产运营之外,酷特尝试对外输出技术方法,包括接待参观访学以及为行业意向企业提供智能化转型的咨询服务。至今酷特的转型模式已经逐渐成为一种独特的管理模式,作为创新管理的典范,引领行业智能转型。
三、创新业务模式
酷特智能找到了一条符合服装行业发展与消费者需求升级的新业务模式,该模式的创新,主要表现在四个方面:
(1)数据驱动的智能工厂和产业链协同:以数据为生产驱动,网络设计、下单,定制数据传输全部数字化。(2)用工业化的效率和成本进行个性化产品的大规模定制:酷特自主研发产品实现全流程的信息化、智能化,把互联网、物联网等信息技术融入到大批量生产中,在一条流水线上制造出灵活多变的个性化产品。(3)“消费者需求”直接驱动制造企业有效供给的电商平台新业态:酷特自主研发了在线定制直销平台—C2M平台支持多品类多品种的产品在线定制。(4)以满足消费者需求为中心的“源点论企业治理体系”:酷特的互联网转型中,形成了支撑新业态和新模式的“源点论企业治理体系”。源点论就是指所有的行为以需求为源点,靠源点需求来驱动,整合和协同价值链资源,最终满足源点需求。
四、股权结构与组织架构
1. 酷特智能创立的基本信息
酷特智能成立于2007年12月28日,公司法人是张代理,公司注册资本:18,000万元。公司是以发起设立方式成立的股份有限公司,设立时各发起人主要是张代理的子女(表1:酷特智能设立时的持股构成)

2.酷特智能截止上市前的股权结构

图1:酷特智能上市前的股权构成
公司控股股东和实际控制人为张代理家族(张兰兰,张琰,系张代理子女,三人为一致行动人),张氏家族合计持股比例占46.60%。此外,复星国际通过复星恒益持有公司发行前股本的16.19%股份。
3.酷特智能的组织架构

图2:酷特智能组织架构图
酷特智能组织机构中主要部门的功能定位(表2:酷特智能主要部门功能定位):

五、经营模式
在服装生产模式中,主要分为以下几种方式:大的类别上,可以分为“成衣”和“定制”,在定制中又进一步细分为“传统定制”和“大规模定制”,酷特智能业务经营模式即属于“大规模定制”。

图3:服装生产主要模式
这种经营模式特点:“由订单驱动的大规模个性化定制”(Customer/BusinesstoManufacturer+MadetoMeasure,简称为C/B2M+MTM)。

图4:酷特智能经营模式特点
六、采购模式
酷特智能的采购分为安全库存备货采购和零剪采购两种。
1.对于常用普通物料,公司采用安全库存备货采购模式,即由供应部和仓储部根据各个品种的需求量、订货周期以及每个品种的安全库存、订购量等,建立库存检查机制,设定安全库存的最低值和最高值。当库存量低于安全库存的最低值时,WMS(仓库管理系统)会自动报警提示。仓储保管员接到提示后确认信息,按物料周转期核算合理需求量,并将需求量书面提报至仓储负责人,审批通过后由仓储评审员发起OA原辅材料采购流程补充库存。安全库存备货采购以填充库存为主要目的,旨在满足为生产交期提供充足的物料支持。
2.对于用量较少的物料,公司采用零剪采购模式,即由供应部根据业务需求,向供应商下达订货指令,要求供应商在指定的时间、将指定的品种、按指定的数量安排发货。零剪采购的出发点是在满足客户需求的同时最大化降低原料库存,是一种完全以满足订单驱动生产订购需求为依据的采购行为。

图5:酷特智能生产物流采购流程
七、研发模式
酷特智能研发工作既有面向产品的研发又有基于流程技术改善的技术研发。
1. 服装产品的企划、设计及研发。服装产品的设计开发以企划中心为主导,由业务、供应、技术、生产等部门共同参与决策。从趋势信息收集到新产品样衣完工的整体流程如下图所示。

图6:酷特智能面向产品的研发流程
2. 制造技术研发和智能系统的优化升级。为满足业务快速发展的需要,公司组织工业工程部门和数据系统部门的专业技术人员对智能设备及系统进行开发升级,对大数据的采集处理方法不断进行调整和改进。系统及数据库方面的开发优化工作基本流程节点如下图所示:

图7:酷特智能技术研发流程
公司自主研发成果,按照流程梳理主要包括以下构成:

图8:酷特智能自主研发成果
八、销售模式
酷特智能以个性化定制为核心的服装生产及销售,主要包括个性化定制ODM、个性化定制OBM、个性化定制职业装三种销售模式。对于境内外的B端客户,公司以贴牌方式进行生产;对于境内的C端客户以及职业装团体订单客户,公司以自有品牌进行生产销售。ODM模式,是酷特为B端客户提供产品开发、设计、改进、设备投入、生产、售后、市场反馈的全过程,将个性化定制融合在整个的设计加工过程。OBM模式,是酷特自建品牌,进行市场定位,产品设计、制造、营销渠道建立,及品牌的打造。(表3:酷特智能三种销售模式的对比梳理)

随着公司自有品牌销售渠道的不断完善,以及品牌知名度的不断提升,OBM和职业装销售规模将继续上升,有助于降低酷特对ODM业务的依赖程度。但在当前阶段,ODM与OBM、职业装相辅相成,互补共赢,共同支撑酷特业务发展。
九、从订单到交付的全流程
个性化定制服装“从订单到交付”的全流程管理蕴藏着酷特的核心竞争力。酷特个性化定制服装的标准生产时间为7个工作日,全流程蓝图如下:

图9:酷特智能“从订单到交付”全流程
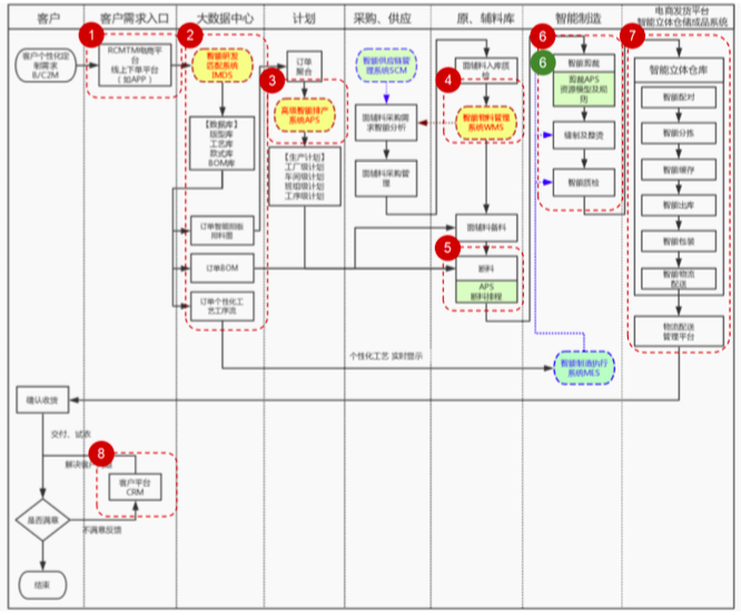
具体的个性化定制服装的业务流程与智能化技术如下:

图10:酷特智能端到端业务流程
相关的智能化技术包括:
1. 客户需求入口:客户下单与订单数据采集。B端客户通过RCMTM平台、C端客户通过电脑或手机等终端平台,登陆其各自账号,输入量体尺寸,选择款式、工艺、风格、面辅料搭配等要求进行下单。随后,系统同时自动保存提交的信息,并实时传送至工厂大数据中心。对全球任何地区的客户订单,数据都能够实现零时差、零失误的传输。
2. 大数据中心:数据挖掘与智能技术匹配。基于多年生产经验与数据积累,公司自行研发了一套人体尺寸与服装版型的逻辑匹配规则算法、搭建了独有的服装工艺、款式数据库和服装BOM数据库,客户的个性化需求通过智能研发设计系统(IMDS)的标准化编码和智能算法进行自动制版、校验,并最终生成数字化可操作的版型,从而满足“一人一版、一衣一款”的个性化定制需求。
3. 计划:智能排产与智能排程。通过智能排产系统(APS)与IMDS系统、ERP系统、OMS系统、WMS系统及MES系统的集成,智能制造流水线实现了订单自动分派与实时滚动排程。
4. 原、辅料库:智能物料采购与原材料仓储管理。基于精准射频识别技术(RFID)的智能仓储管理系统,能够实现原辅材料的实时同步物联网化管理;建立智能仓储管理系统(WMS),能够确保按计划完成前期材料的备料、断料、出库及配送。
5. 原、辅料库:智能断料。在断料工序上,断料后系统自动更新物料库存数据。物料按照APS系统排定的顺序,由自动导引运输车(AGV小车)送至裁床设备,进入剪裁工序。
6. 智能制造:智能剪裁、缝制与整烫。剪裁过程由自动裁床完成,工人只需提前刷RFID卡,使裁床读取卡中预存的面料裁剪指令。裁床接收卡中信息后,依据读取的排料图信息,在布料上进行激光辅助绘制,依照排料图自动切割,完成衣片裁剪。面料和里料经过裁剪后,随RFID卡一起通过吊挂传送到后续工序工位,从工位终端显示屏读取具体操作内容,按要求完成服装的缝制和整烫。产品生产完成后,质检员从RFID卡中获取订单质量标准,对照检验流程和标准严格把关。对于不合格工序,根据RFID卡中记录的操作人员,追溯到具体责任人,进行修正。
7. 电商发货平台,智能立体仓储成品系统:智能分拣与物流。通过质检后,产品进入分拣配套环节。目前,酷特的智能分拣配套系统可以实现个性化订单的自动分拣配套,分拣效率较人工操作有显著提高,同时,降低了人工成本、减少失误率。公司的订单管理系统直接和第三方物流的系统对接,根据和客户约定好的交期安排第三方物流发货,保证了客户能够实时了解订单进度、查阅物流信息。
8. 客户需求入口:客户平台CRM。公司建立了客户服务平台,处理客户的各类意见与反馈,以进一步提升消费者体验,提升公司市场形象和影响力
十、总结
酷特智能转型发展十几年,引领了C2M的风潮,积累了领先优势:
1、有着稳健专业的投资方支持,酷特与复星集团的渊源深厚,合作多年,复星作为C2M领域专业的投资机构,在该领域有着深厚的积累以及资源,能够为酷特的发展提供资本,以及相关领域的赋能;
2、较同行业,酷特已经具备了先发优势,积累了良好的口碑,而且由于其先天生产制造企业的发展积累,使其在智能制造与转型中,持续深耕,逐渐拉大了与同行之间的技术差距。此次上市,募集资金,主要用于“柔性智慧工厂新建项目”“智慧物流仓储、大数据及研发中心综合体建设项目”,在生产及研发领域不断投入,为未来的产能拓展、效率提升,与智能化升级持续加码;
3、酷特自身的智能化水平,拉大了与行业企业的差距,具备了数据库的积累以及技术管理的优势,而这些都是需要长期投入方能体现成效的价值投资,这个阶段的顺利完成为酷特在未来的持续发力奠定了扎实的基础;
4、酷特在生产技术模式上的改进与持续积累,以及在智能转型上的经验,在满足自身研发生产需求的同时,已经具备了输出咨询的程度,这对它的行业影响力的建立,业务拓展,做大规模,甚至拓展相关产业与领域,起到了较好的促进作用;
当然,酷特也有着明显的不足:比如从体量规模上,与行业企业相比,依然存在一定的差距;其研发生产领域的明显优势,并没有掩盖它在渠道拓展等方面的不足;受到全球疫情、政治经济趋势的影响,国外订单与合作,也可能会被波及,而国内的业务体量尚不能与国外业务比肩...在业务体量尚未提升之前,行业企业转型升级的步伐并未停止,追赶的压力依然存在...
当数字化转型成为一股潮流,总有一些人走在了潮流之前,用远见与实干,书写了“传奇”。前人栽树后人乘凉,有这些宝贵的经验,相信也能够为更多的、正在进行数字化转型升级的制造企业提供借鉴。
作者:欧博官网ABG管理咨询 马丽
扫描二维码关注欧博官网ABG微信公众号,查看更多资讯

微信公众号:欧博官网ABG管理咨询2017,欧博官网ABG管理咨询(北京)股份有限公司版权所有 工信部备案号:京ICP备09018895号-1
